Body | If the printer is double-wrapping labels or not feeding evenly, what can be done besides repair to address this?
- Make sure the nip rollers are down and that the flange guides are in the correct position and that the label path has been cleaned.
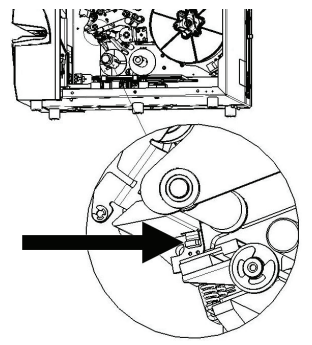
- Next, make sure that the notch sensor has been cleaned with Isopropyl Alcohol using a cotton swab that has been flattened with pliers: Wraptor A6500 - Cleaning the Notch Sensor to resolve feeding problems.
Related information
|
|
|---|